.jpg)

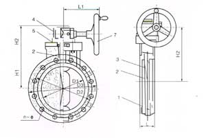
涡轮式蝶阀
涡轮式蝶阀零件材质表

涡轮式蝶阀规格尺寸表

全国统一服务热线:0511-88544888
全国统一服务邮箱:jslvdao@126.com
产品名称:涡轮式蝶阀
添加日期:11-04-25 来源:原创 作者:jslvdao 热度:
所属类别:塑胶阀门 tag标签:涡轮式蝶阀 上一页:一体型球阀 下一页:球芯止回阀
.jpg)

涡轮式蝶阀
涡轮式蝶阀零件材质表

涡轮式蝶阀规格尺寸表

G41F-10S、G41F-10F液面计、视05.16 H61F-10S承插、螺口球阀05.16 D71X-10蝶阀05.16 D371X-10S/F蜗轮蝶05.16 H41F-10S止回阀05.16 H41F-10S底阀05.16
友情链接: pph管 pp管 pvdf球阀 pph蝶阀 pvdf隔膜阀 frpp管材 钢制桥架 钢带波纹管 pp球阀 pp管材 frpp管 pe管